
电池主动均衡器
导论
在不使用均衡的情况下,在每个充放电周期中,最弱蓄和最强蓄单电池之间的电压差将增加。最终,其中一个单电将始终接近最大电压,而另外一个单电池接近最低电压→从而阻碍了电池组的充放电能力。
在锂动力电池组均衡管理中,目前串并联锂动力电池组电压均衡的方法分为被动均衡和主动均衡。通常把能量消耗型均衡定义为被动均衡,被动均衡运用电阻器,将高电压或者高荷电量电芯的能量消耗掉,以达到减小不同电芯之间差距的目的,是一种能量消耗型均衡,效率比较低下。
1.1 型号:LAND-BJH-24S
我司电池均衡器均为电流型主动均衡器。与传统的被动平衡技术不同,LAND-BJH-24S利用带有电感的控制方案,在两个电感之间流动电流,直到电池平衡。由于开关特性,大大降低了传统线平衡技术产生的热功耗。平衡时间也显著减少,因为不受封装散热的限制,平衡电流增加。LAND-BJH-24S在待机模式下只消耗5µA超低电流,延长电池使用时间。两个电池的最终平衡电压也是高度精确的,这提高了串联连接的电池的性能和寿命。LAND-BJH-24S可以用于24个电池叠加的电池组。
LAND-BJH-24S包括类似于电池充电的前提条件的保护功能,即当一个电池的电压大大低于另一个电池时,平衡电流降低到安全水平,直到低电压电池充电。尺寸大小可以订制,一般一维尺寸不超过单节电池组的高度。
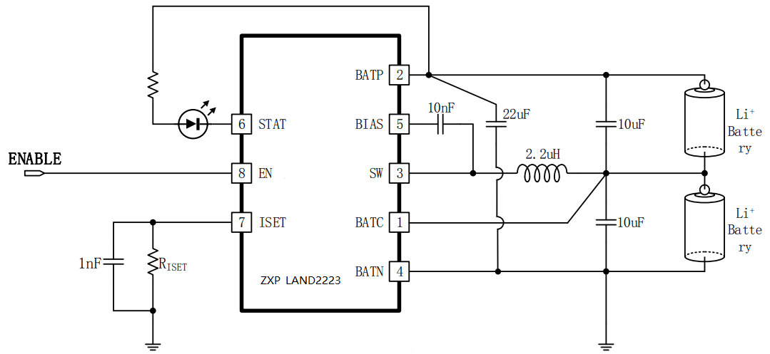
2节锂电池之间的能量交换关系如下图-1:
图-1
每个单元的逻辑关系如下图-2所示:
图-2
工作状态图如下图-3所示:
一块主动电池均衡器电路板最少是2节电池,最多25节电池串联。我司可以根据客户实际需求选型。
1.2 LAND-BJH-24S 主动电池均衡器参数
1、均衡精确电压1mV;
2、单位串联最大主动均衡电流2A;
3、转换效率一般在92%,最大可达95%;
4、可以选择有状态指示;
三节电池串联PCB 示意图 16-24S稍后打样
实际接线图会随产品一同交与客户。
欢迎来电来函洽谈业务。电话:15812768447,邮箱:diligent189@foxmail.com
数量超过1000片免费送样,现场测试
